發布時間:
2020-01-11 10:16:26
瀏覽次數:
本標準按照GB/T 1.1 2009給出的規則起草。
本標準代替GB/T 3622-1999《鈦及鈦合金帶、箔材》。
本標準與GB/T 3622-1999相比,主要有以下變動:
依據GB/T3620,1-2007的變化情況,將原牌號TA0、TA1,TA2分別變更為TA1,TA2,TA3;
新增了TA4,TA8,TA8-1和TA9-1等4個牌號及其要求;
調整了TA1、TA2、TA3牌號的力學性能指標:
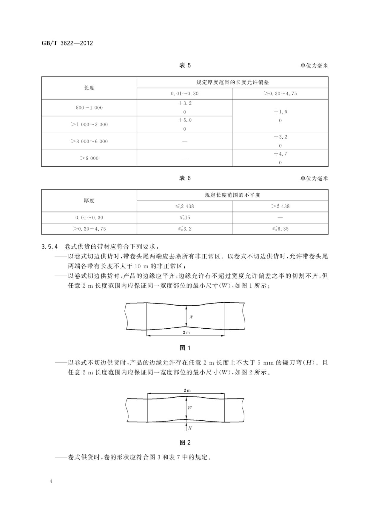
細化了產品的尺寸要求,增加了帶卷的形狀要求;
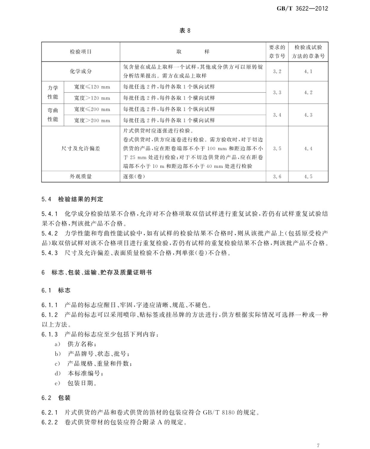
細化了表面質量的相關規定;
細化了產品的標志、包裝、運輸和貯存要求;
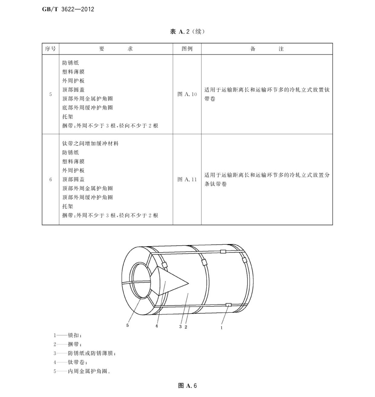
增加了資料性附錄A,給出了卷式供貨時產品的包裝方法。
鈦箔、鈦帶國家標準GB/T 3622-2012詳細規范,利泰金屬整理如下:















相關鏈接
- 2021-12-29 利泰金屬談鈦合金在航天領域的應用需求
- 2021-12-27 航空用鈦合金鍛件的新工藝方法
- 2021-12-24 TA15鈦板生產廠家談鈦及鈦合金焊接工藝與特性
- 2021-12-21 鎳鈦絲鈦合金板在口腔正畸臨床中的應用
- 2021-12-19 航空用TC11鈦合金棒組織均勻性控制方法
- 2021-12-18 半球形TC4鈦合金鍛件存在的缺陷與生產工藝改進方法
- 2021-12-17 鈦合金葉輪生產廠家介紹新型高強高韌性鈦合金主要有哪些?
- 2021-12-15 航空航天領域用鈦鍛件鈦棒等鈦合金的特點及類型
- 2021-12-09 退火溫度對GR9鈦合金棒材組織及性能的影響
- 2021-12-07 我國鈦棒鈦板等鈦合金產業發展的現狀與展望

